Trong các hệ thống điện có sử dụng máy phát dự phòng hoặc nhiều nguồn cấp, tủ ATS giữ vai trò then chốt giúp quá trình chuyển nguồn diễn ra an toàn và tự động. Tuy nhiên, để hiểu đúng cách hệ thống vận hành, người dùng cần nắm rõ sơ đồ nguyên lý tủ điện ATS và từng thành phần trong mạch điều khiển và mạch động lực. Bài viết này sẽ giúp bạn hình dung trọn vẹn cách hoạt động của tủ ATS, đồng thời hướng dẫn cách đọc sơ đồ sao cho chuẩn kỹ thuật.
Tủ điện ATS là gì? Khi nào công trình cần tủ ATS?
Tủ điện ATS (Automatic Transfer Switch) là thiết bị có khả năng tự động chuyển đổi nguồn điện giữa nguồn chính và nguồn dự phòng khi xảy ra sự cố mất điện. Trong các công trình sử dụng máy phát điện hoặc có hai nguồn lưới, tủ ATS đóng vai trò đảm bảo hệ thống luôn duy trì điện liên tục, tránh gián đoạn hoạt động và giảm thiểu rủi ro về thiết bị điện.

Việc lắp đặt tủ điện ATS đặc biệt quan trọng với các khu vực có tải ưu tiên như thang máy, bơm cứu hỏa, phòng server, dây chuyền sản xuất, trung tâm dữ liệu hoặc hệ thống chiếu sáng an toàn. Những tải này yêu cầu nguồn điện phải ổn định và liên tục, bất kỳ sự cố sụt áp hay mất điện đột ngột nào cũng có thể gây thiệt hại lớn hoặc ảnh hưởng đến an toàn công trình.
Trong các dự án thực tế, tủ ATS thường được lắp đặt đồng bộ cùng tủ điện tổng (MSB), máng cáp, thang cáp và hệ thống phân phối điện. Việc phối hợp đồng bộ ngay từ bước thiết kế giúp giảm rối dây, dễ bảo trì và đảm bảo dòng điện chạy ổn định khi chuyển nguồn. Đây là lý do nhiều nhà thầu cơ điện ưu tiên lựa chọn các đơn vị có kinh nghiệm triển khai trọn gói từ tủ điện đến hệ thống giá đỡ cáp.
Nguyên lý hoạt động của tủ điện ATS
Tủ điện ATS hoạt động dựa trên cơ chế giám sát liên tục tình trạng của hai nguồn cấp. Khi phát hiện nguồn chính mất điện hoặc không đạt tiêu chuẩn, bộ điều khiển sẽ tự động kích hoạt máy phát, chờ nguồn dự phòng ổn định rồi chuyển tải sang nguồn này. Khi điện lưới hồi phục, ATS lại phân tích chất lượng nguồn, thực hiện trễ thời gian cần thiết và chuyển tải về nguồn chính.
Trạng thái bình thường
Ở trạng thái này, Nguồn A đạt đủ điện áp và tần số nên được phép cấp tải. Thiết bị đóng cắt của Nguồn B luôn ở vị trí mở, máy phát không hoạt động ATS chỉ giám sát thông số và chờ sự cố nếu xảy ra.
Khi điện lưới mất
Khi điện lưới gặp sự cố, bộ điều khiển sẽ:
- Bắt đầu đếm thời gian trễ
- Gửi lệnh khởi động máy phát
- Kiểm tra ổn định điện áp/tần số
- Đóng nguồn dự phòng và đưa tải sang máy phát
Nhờ đó, các tải ưu tiên như bơm, thang máy hay hệ thống server không bị gián đoạn lâu.
Khi điện lưới hồi phục
Khi lưới ổn định trở lại, ATS sẽ:
- Đánh giá lại chất lượng nguồn
- Kích hoạt timer hồi nguồn để tránh chập chờn
- Ngắt tải khỏi máy phát và trả về nguồn chính
- Gửi lệnh tắt máy phát sau khi làm mát

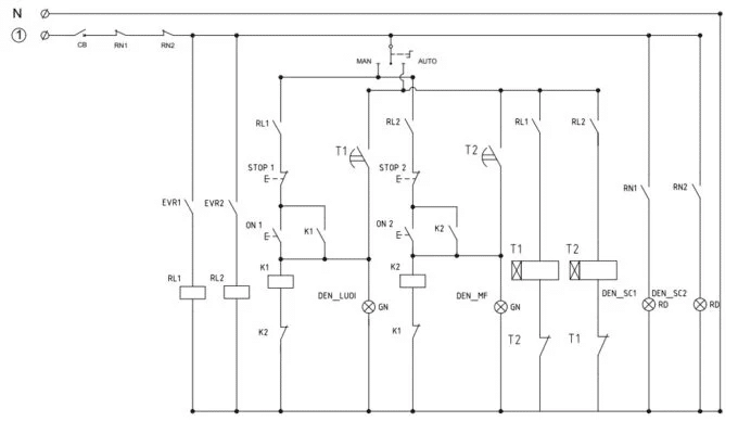
3 sơ đồ nguyên lý tủ điện ATS thường gặp trong thực tế
Trong hệ thống điện dân dụng và công nghiệp, tủ ATS có thể được thiết kế theo nhiều dạng khác nhau tùy vào số nguồn cấp và mức độ ưu tiên của tải. Tuy nhiên, phổ biến nhất vẫn là 3 sơ đồ nguyên lý dưới đây. Việc hiểu rõ cách bố trí thiết bị trong từng sơ đồ giúp bạn đọc chính xác mạch động lực và mạch điều khiển, giúp lựa chọn cấu hình phù hợp cho công trình của mình..
Sơ đồ nguyên lý tủ ATS lưới
Sơ đồ ATS dạng lưới máy phát là cấu hình tiêu chuẩn được sử dụng nhiều nhất trong các công trình có 1 nguồn lưới chính và 1 máy phát dự phòng. Trong sơ đồ này, Nguồn A là điện lưới, đảm nhận vai trò cấp tải trong điều kiện bình thường. Khi lưới mất điện, bộ điều khiển ATS sẽ gửi lệnh khởi động máy phát, chờ điện áp tần số của máy phát ổn định, sau đó ra lệnh chuyển tải sang nguồn B.

Mạch động lực trong sơ đồ này thường gồm hai contactor hoặc hai MCCB/ACB có liên động an toàn. Điều này giúp đảm bảo không có tình huống hai nguồn lưới máy phát đóng song song, tránh nguy cơ đảo pha hoặc đẩy điện ngược vào lưới. Phần mạch điều khiển sẽ liên tục giám sát điện áp, trạng thái thiết bị đóng cắt và các tín hiệu phản hồi từ máy phát. Đây là sơ đồ dễ lắp đặt, dễ đọc và phù hợp cho các công trình như nhà phố, biệt thự, cửa hàng, nhà xưởng vừa và nhỏ.
Sơ đồ nguyên lý tủ ATS 2 nguồn lưới
Đối với các công trình yêu cầu độ tin cậy cấp điện rất cao, sơ đồ ATS 2 nguồn lưới là lựa chọn tối ưu. Cấu hình này sử dụng hai nguồn lưới độc lập (Nguồn A và Nguồn B), được cấp từ hai tuyến cáp khác nhau hoặc từ hai trạm biến áp riêng biệt. Khi một nguồn gặp sự cố, tủ ATS sẽ chuyển tải sang nguồn còn lại mà không cần sự hỗ trợ của máy phát.

Trong sơ đồ này, phần mạch động lực thường sử dụng hai MCCB hoặc ACB có motor và khóa liên động cơ điện. Bộ điều khiển ATS phân tích điện áp, tần số và thứ tự pha của cả hai nguồn, từ đó chọn nguồn phù hợp để cấp tải. Do không yêu cầu khởi động máy phát, thời gian chuyển nguồn của cấu hình này rất nhanh, phù hợp cho các hệ thống cần duy trì hoạt động liên tục như trung tâm thương mại, bệnh viện, tòa nhà văn phòng lớn hoặc các khu chung cư áp dụng mô hình 2 nguồn lưới.
Sơ đồ nguyên lý tủ ATS nhiều nguồn hoặc có phân tải ưu tiên
Trong các dự án quy mô lớn như nhà máy sản xuất, khu công nghiệp hoặc công trình có tải quan trọng đặc biệt, tủ ATS được thiết kế theo sơ đồ nhiều nguồn hoặc có phân nhóm tải ưu tiên. Các nguồn cấp có thể gồm hai lưới và một máy phát, hoặc một lưới và hai máy phát, tùy vào yêu cầu chiến lược của chủ đầu tư. Ở các hệ thống quan trọng, tủ ATS còn kết hợp chức năng phân nhóm tải (load shedding) để đảm bảo máy phát không bị quá tải khi cấp điện cho các dây chuyền sản xuất nặng.

Sơ đồ nguyên lý dạng này phức tạp hơn vì phải sắp xếp thứ tự ưu tiên giữa nhiều nguồn, đồng thời phân loại tải nào cần cấp trước, tải nào có thể cắt bớt khi cần thiết. Bộ điều khiển ATS trong cấu hình này thường có nhiều ngõ vào và ngõ ra, hỗ trợ truyền thông, lưu nhật ký và tích hợp với hệ thống BMS. Mạch động lực sử dụng nhiều thiết bị đóng cắt công suất lớn, liên động đa tầng để bảo đảm an toàn tuyệt đối.
Xem thêm: Các lỗi thường gặp của ATS và cách xử lý an toàn, hiệu quả
Cách đọc sơ đồ nguyên lý tủ điện ATS cho người mới
Việc đọc sơ đồ nguyên lý tủ điện ATS không quá phức tạp nếu nắm đúng phương pháp. Sơ đồ thường gồm mạch động lực (dòng điện lớn đi qua để cấp tải) và mạch điều khiển (xử lý tín hiệu, giám sát nguồn và điều khiển thiết bị đóng cắt). Dưới đây là 5 bước đơn giản giúp người mới bắt đầu đọc sơ đồ ATS chính xác hơn.
Bước 1: Xác định nguồn chính và hướng cấp tải
Bước đầu tiên khi đọc sơ đồ ATS là xác định hai nguồn cấp chính. Trong hầu hết các bản vẽ, nguồn A là điện lưới, nguồn B là máy phát hoặc nguồn lưới dự phòng. Sau khi xác định vị trí hai nguồn, bạn tiếp tục tìm đầu ra tải (Load) nơi dòng điện được dẫn tới các thiết bị trong hệ thống. Chỉ cần xác định được ba điểm này, bạn đã có hình dung sơ bộ về hướng dòng điện trong toàn bộ sơ đồ.
Bước 2: Tách riêng mạch động lực và mạch điều khiển
Mạch động lực là phần chịu tải, chứa MCCB, ACB hoặc contactor của hai nguồn và tải. Mạch này thường được vẽ bằng các ký hiệu đường dây lớn, rõ ràng, thể hiện đường đi của dòng điện chính. Ngược lại, mạch điều khiển sử dụng các ký hiệu nhỏ hơn, thể hiện các tiếp điểm NO/NC, tín hiệu phản hồi, dây điều khiển, rơ-le và trung tâm là bộ điều khiển ATS.

Bước 3: Nhận diện thiết bị đóng cắt và các phần tử điều khiển
Ở bước này, bạn cần nhận diện các thiết bị chính trong sơ đồ, bao gồm:
- Contactor hoặc MCCB/ACB của từng nguồn
- Khóa liên động cơ điện giữa hai thiết bị đóng cắt
- Bộ điều khiển ATS
- Rơ-le bảo vệ và các phần tử đo lường
- Tiếp điểm phụ gửi tín hiệu báo trạng thái thiết bị
Bước 4: Lần theo luồng điện trong các trạng thái hoạt động
Sau khi xác định thiết bị, bạn hãy lần theo luồng điện trong từng trạng thái:
- Khi nguồn A cấp tải, dòng điện chạy từ lưới qua thiết bị đóng cắt của nguồn A rồi đến tải.
- Khi máy phát vào hoạt động, dòng điện đi từ nguồn B qua contactor/MCCB tương ứng, trong khi thiết bị của nguồn A phải mở hoàn toàn.
- Khi chuyển nguồn, bạn theo dõi tín hiệu từ bộ điều khiển ATS – timer – tiếp điểm điều khiển – cuộn coil của contactor hoặc motorized MCCB.
Cách “đi theo dòng điện” như vậy giúp bạn hiểu rõ vai trò từng phần tử trong quá trình chuyển nguồn.
Bước 5: Đối chiếu sơ đồ với tủ thực tế để kiểm tra chính xác
Sau khi đọc sơ đồ trên giấy, bạn cần đối chiếu với tủ điện thực tế để kiểm tra:
- Hướng đi của dây động lực và dây điều khiển
- Vị trí contactor, MCCB, ACB và bộ điều khiển ATS
- Sự khớp nối giữa ký hiệu sơ đồ và nhãn thiết bị thực
- Tính đầy đủ của liên động cơ điện
- Sự trùng khớp giữa thứ tự pha, hướng cấp tải và đánh dấu dây
Việc đối chiếu này đặc biệt quan trọng trong khâu nghiệm thu hoặc khi xử lý tủ ATS báo lỗi bất thường. Người kỹ thuật giỏi luôn biết kết hợp cả bản vẽ lẫn kiểm tra thực tế để đảm bảo tủ vận hành đúng thiết kế.
Hiểu rõ sơ đồ nguyên lý tủ điện ATS giúp bạn lựa chọn đúng cấu hình, vận hành an toàn và hạn chế sự cố khi chuyển nguồn. Trong thực tế thi công, việc bố trí mạch động lực và điều khiển chuẩn kỹ thuật và chọn thiết bị phù hợp sẽ quyết định độ ổn định của toàn hệ thống. Nếu bạn cần tư vấn thiết kế hoặc tìm đơn vị cung cấp tủ điện ATS, Hoàng Phát có thể hỗ trợ từ khâu chọn thiết bị đến lắp đặt đồng bộ với máng cáp và thang cáp cho công trình.

